Office Location

Panvel - Navi Mumbai

Workshop Unit

Reay Road - Mumbai

Email Address

info@a1industries.info

Phone Number

+91 7021687626

Product Catalogue

Forged, Pipe & Olet Fittings Catalogue

Summary :

 

Type

 

  • Elbow, Tee, Cross, Coupling, Half Coupling, Cap, Plug, Bushing, Union, HEX. Nipple, Swage nipple, Bull Plug, Street Elbow, Boss, Reducer Insert and Out-let…etc
  • Threaded (NPT or PT Type), Socket-Weld, Butt-welding

 

Size

 

NPS 1/8”~4” DN 6~100

 

Rating Pressure

 

Threaded End – 2000 / 3000 / 6000 LBS.

Socket-weld End – 3000 / 6000 / 9000 LBS.

Butt-weld End – SCH40 / SCH80 / SCH160 / XXS.

 

Specifications

 

  • Dim. Spec. :

ASME B16.11-2009 (Revision of ASME B16.11-2005) MSS – SP – 79, 83, 95, 97 and BS3799.
ANSI / ASME B1.20.1-1983 NPT

  • Material Spec. :

ASTM A105, A350 LF2, A106, A312, A234, A403
ASTM A182 (F304, F304L, F316, F316L, F304H, F316H, F317L, F321, F11, F22, F91)

  • Size of Raw Material: DIA. 19~85mm Round Bar.

 

Marking

 

  • Carbon and Alloy Steel: Marked by stamping.
  • Stainless Steel: Marked by electro-etched, jet printed or stamping.

 

  • 3/8” under: Brand only.
  • 1/2” to 4”: Marked with brand, material, heat code, B16 (For ASME B16.11 product), pressure and size.

 

Finishing

 

Carbon steel: Galvanized or black. Stainless steel: Pickled.

 

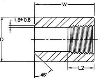
ASME B16.11-2009 (Revision of ASME B16.11-2005)


 

DN

 

Nom. Pipe Size

Center to End Elbow, Tee, Cross A

Center to End 45° Elbow
C

Outside Diameter Of Band
H

Minimum Wall Thickness
G

Length of Thread Min. (1)

2000

3000

6000

2000

3000

6000

2000

3000

6000

2000

3000

6000

B

L2

6

1/8”

21

21

25

17

17

19

22

22

25

3.18

3.18

6.35

6.4

6.7

8

1/4”

21

25

28

17

19

22

22

25

33

3.18

3.30

6.60

8.1

10.2

10

3/8”

25

28

33

19

22

25

25

33

38

3.18

3.51

6.98

9.1

10.4

15

1/2”

28

33

38

22

25

28

33

38

46

3.18

4.09

8.15

10.9

13.6

20

3/4”

33

38

44

25

28

33

38

46

56

3.18

4.32

8.53

12.7

13.9

25

1”

38

44

51

28

33

35

46

56

62

3.68

4.98

9.93

14.7

17.3

32

1-1/4”

44

51

60

33

35

43

56

62

75

3.89

5.28

10.59

17.0

18.0

40

1-1/2”

51

60

64

35

43

44

62

75

84

4.01

5.56

11.07

17.8

18.4

50

2”

60

64

83

43

44

52

75

84

102

4.27

7.14

12.09

19.0

19.2

65

2-1/2”

76

83

95

52

52

64

92

102

121

5.61

7.65

15.29

23.6

28.9

80

3”

86

95

106

64

64

79

109

121

146

5.99

8.84

16.64

25.9

30.5

100

4”

106

114

114

79

79

79

146

152

152

6.55

11.18

18.67

27.7

33.0

  • Dimensions in Millimeters.
  • Dimension B is minimum length of perfect thread. The length of useful thread (B plus threads with fully formed roots and flat crests) shall not be less than L2 (effective length of external thread) required by American National Standard for Pipe Threads (ANSI/ASME B1.20.1)

  • ASME B16.11-2009 (Revision of ASME B16.11-2005)

     

    DN

     

    Nom. Pipe
    Size

    Center to End Coupling

    W

    Center to End Cap

    P

    Outside Diameter

    D

    End Wall Thickness

    G Min.

    Length of Thread

    Min. (1)

     

    3000 & 6000

    3000

    6000

    3000

    6000

    3000

    6000

    B

    L2

    6

    1/8”

    32

    19

    16

    4.8

    6.4

    6.7

    8

    1/4”

    35

    25

    27

    19

    25

    4.8

    6.4

    8.1

    10.2

    10

    3/8”

    38

    25

    27

    22

    32

    4.8

    6.4

    9.1

    10.4

    15

    1/2”

    48

    32

    33

    28

    38

    6.4

    7.9

    10.9

    13.6

    20

    3/4”

    51

    37

    38

    35

    44

    6.4

    7.9

    12.7

    13.9

    25

    1”

    60

    41

    43

    44

    57

    9.7

    11.2

    14.7

    17.3

    32

    1-1/4”

    67

    44

    46

    57

    64

    9.7

    11.2

    17.0

    18.0

    40

    1-1/2”

    79

    44

    48

    64

    76

    11.2

    12.7

    17.8

    18.4

    50

    2”

    86

    48

    51

    76

    92

    12.7

    15.7

    19.0

    19.2

    65

    2-1/2”

    92

    60

    64

    92

    108

    15.7

    19.0

    23.6

    28.9

    80

    3”

    108

    65

    68

    108

    127

    19.0

    22.4

    25.9

    30.5

    100

    4”

    121

    68

    75

    140

    159

    22.4

    28.4

    27.7

    33.0

  • Dimensions in Millimeters.
  • Dimension B is minimum length of perfect thread. The length of useful thread (B plus threads with fully formed roots and flat crests) shall not be less than L2 (effective length of external thread) required by American National Standard for Pipe Threads (ANSI/ASME B1.20.1)

  • ASME B16.11-2009 (Revision of ASME B16.11-2005)

     

    DN

     

    Nom. Pipe Size

    Length (Min.)

     

    A

    Square Head Plug

    Round Head Plug

    Hex. Head Plug & Bushing

    Height of Square (Min.)

    B

    Width Flat (Min.)

     

    C

    Nominal Diameter of Head (Nom)
    E

    Length (Min.)

     

    D

    Width Flat (Nom.)

     

    F

    Hex. Height (Min.)

    Bushing

    G

    Plug

    H

    6

    1/8”

    10

    6

    7

    10

    35

     

     

    6

    8

    1/4”

    11

    6

    10

    14

    41

    16

    3

    6

    10

    3/8”

    13

    8

    11

    18

    41

    18

    4

    8

    15

    1/2”

    14

    10

    14

    21

    44

    22

    5

    8

    20

    3/4”

    16

    11

    16

    27

    44

    27

    6

    10

    25

    1”

    19

    13

    21

    33

    51

    36

    6

    10

    32

    1-1/4”

    21

    14

    24

    43

    51

    46

    7

    14

    40

    1-1/2”

    21

    16

    28

    48

    51

    50

    8

    16

    50

    2”

    22

    18

    32

    60

    64

    65

    9

    18

    65

    2-1/2”

    27

    19

    36

    73

    70

    75

    10

    19

    80

    3”

    28

    21

    41

    89

    70

    90

    10

    21

    100

    4”

    32

    25

    65

    114

    76

    115

    13

    25

  • Dimensions in Millimeters.
  • CAUTIONARY NOTE REGARDING HEX BUSHINGS.
  • Hex head bushing of one-size reduction should not be used in services where they might be subject to harmful loads and forces other than internal pressure.


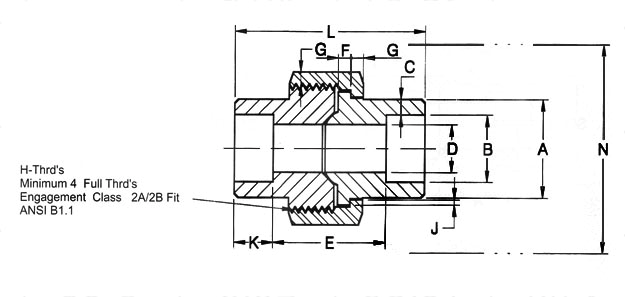
    Unions Threaded

    Threaded End MSS-SP-83-2006

     

    Nom. Pipe Size

     

    Pipe End

     

    Wall

     

    Water Way Bore

     

    Male Flange

     

    Nut

    Threads Per 25.4mm

     

    Bearing

    Length Assem. Nom.

    Clear Assem. Nut

    Min. A

    Min. C

    D

    Min. F

    Min. G

    Max. H

    Min. J

    L

    N

    1/8”

    14.7

    2.41

    8.43
    6.43

    3.18

    3.18

    16

    1.24

    41.4

    50.8

    1/4”

    19.0

    3.02

    11.13
    9.45

    3.18

    3.18

    16

    1.24

    41.4

    50.8

    3/8”

    22.9

    3.20

    14.27
    13.51

    3.43

    3.43

    14

    1.37

    46.0

    55.9

    1/2”

    27.7

    3.73

    17.86
    17.07

    3.68

    3.68

    14

    1.50

    49.0

    58.4

    3/4”

    33.5

    3.91

    23.01
    21.39

    4.06

    4.06

    11

    1.68

    56.9

    66.0

    1”

    41.4

    4.55

    28.98
    27.74

    4.57

    4.45

    11

    1.85

    62.0

    78.7

    1-1/4”

    50.5

    4.85

    37.69
    35.36

    5.33

    5.21

    11

    2.13

    71.1

    94.0

    1-1/2”

    57.2

    5.08

    43.54
    41.20

    5.84

    5.59

    10

    2.31

    76.5

    111.8

    2”

    70.1

    5.54

    55.58
    52.12

    6.60

    6.35

    10

    2.69

    86.1

    132.1

    2-1/2”

    85.3

    7.01

    66.27
    64.31

    7.49

    7.11

    8

    3.07

    102.4

    149.9

    3”

    102.4

    7.62

    88.25
    77.27

    8.26

    8.00

    8

    3.53

    109.0

    175.3

    • Dimensions in Millimeters.
    • Upper and lower values for each size are the respective maximum and minimum dimensions.

    Hex Nipples Threaded


     

    Nominal Size

    A

    (Min)

    W

    (Min)

    E

    (Min)

    b

    C

    (Min)

    F

    (Min)

    DN

    Inch

    3000

    6000

    6

    1/8”

    11

    26

    10

    5

    2

    6

    -

    8

    1/4”

    15

    36

    15

    8

    6

    6

    -

    8 x 6

    1/4”x1/8”

    15

    31

    15

    5

    2

    6

    10

    10

    3/8”

    18

    40

    16

    11

    8

    8

    -

    10 x 8

    3/8”x1/4”

    18

    39

    16

    8

    6

    8

    15

    15

    1/2”

    22

    48

    20

    14

    11

    8

    -

    15 x 10

    1/2”x3/8”

    22

    44

    20

    11

    8

    8

    16

    15 x 8

    1/2”x1/4”

    22

    43

    20

    8

    6

    8

    15

    20

    3/4”

    27

    52

    21

    19

    13

    10

    -

    20 x 15

    3/4”x1/2”

    27

    50

    21

    14

    11

    9

    20

    20 x 10

    3/4”x3/8”

    27

    46

    21

    11

    8

    9

    16

    25

    1”

    35

    60

    25

    24

    17

    10

    -

    25 x 20

    1”x3/4”

    35

    56

    25

    19

    13

    10

    21

    25 x 15

    1”x1/2”

    35

    55

    25

    14

    11

    10

    20

    40

    1-1/2”

    50

    68

    26

    38

    30

    16

    -

    40 x 25

    1-1/2”x1”

    50

    67

    26

    24

    17

    16

    25

    40 x 20

    1-1/2”x3/4”

    50

    63

    26

    19

    13

    16

    21

    40 x 15

    1-1/2”x1/2”

    50

    62

    26

    14

    11

    16

    20

    50

    2”

    62

    71

    27

    49

    39

    17

    -

    50 x 40

    2”x1-1/2”

    62

    70

    27

    38

    30

    17

    26

    50 x 25

    2”x1”

    62

    70

    27

    24

    17

    18

    25

    50 x 20

    2”x3/4”

    62

    65

    27

    19

    13

    17

    21

    50 x 15

    2”x1/2”

    62

    65

    27

    14

    11

    18

    20

     

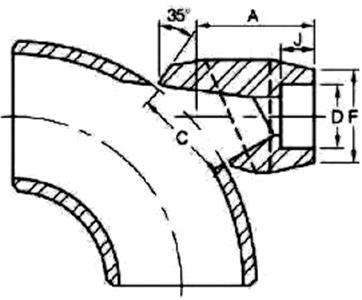
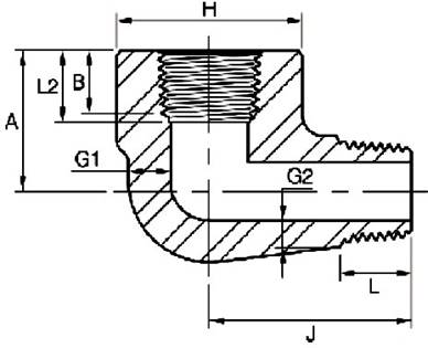
    Street Elbows Threaded

    Threaded End ASME B16.11-2009 (Revision of ASME B16.11-2005)

     

    DN

     

    Nom. Pipe Size

     

    H

     

    A

     

    J

     

    G1
    (Min.)

    G2 (1)
    (Min)

    B (2)
    (Min)

    L2 (2)
    (Min)

     

    L

    (Min)

    3000

    6000

    3000

    6000

    3000

    6000

    3000

    6000

    3000

    6000

    6

    1/8”

    19

    25

    19

    22

    25

    32

    3.18

    5.08

    2.74

    4.22

    6.4

    6.7

    10.0

    8

    1/4”

    25

    32

    22

    25

    32

    38

    3.30

    5.66

    3.22

    5.28

    8.1

    10.2

    11.0

    10

    3/8”

    32

    38

    25

    28

    38

    41

    3.50

    6.98

    3.50

    5.59

    9.1

    10.4

    13.0

    15

    1/2

    38

    44

    28

    35

    41

    48

    4.09

    8.15

    4.16

    6.53

    10.9

    13.6

    14.0

    20

    3/4

    44

    51

    35

    44

    48

    57

    4.32

    8.53

    4.88

    6.86

    12.7

    13.9

    16.0

    25

    1

    51

    62

    44

    51

    57

    66

    4.98

    9.93

    5.56

    7.95

    14.7

    17.3

    19.0

    32

    1-1/4

    62

    70

    51

    54

    66

    71

    5.28

    10.59

    5.56

    8.48

    17.0

    18.0

    21.0

    40

    1-1/2

    70

    84

    54

    64

    71

    84

    5.56

    11.07

    6.25

    8.89

    17.8

    18.4

    21.0

    50

    2

    84

    102

    64

    83

    84

    105

    7.14

    12.09

    7.64

    9.70

    19.0

    19.0

    22.0

  • Dimensions in Millimeters.
  • Dimension B is minimum length of perfect thread. The length of useful thread (B plus threads with fully formed roots and flat crests) shall not be less than L2 (effective length of external thread) required by American National Standard for pipe threads (ANSI/ASME B1.20.1)

  • Bull Plugs Threaded

     

    MSS-SP-95-2006

     

    Nom. Pipe Size

     

     

     

    T (Min)

     

    D

    B

    B1

    Sch.40 (STD)

    Sch.80 (XS)

    Sch.160

    XXS

    H

    1/8”

    10.3

    34

    9.5

    1.73

    2.41

     

     

    14

    1/4”

    13.7

    34

    11.0

    2.24

    3.02

     

     

    14

    3/8”

    17.1

    57

    12.5

    2.31

    3.20

     

     

    14

    1/2”

    21.3

    64

    14.5

    2.77

    3.73

    4.78

    7.47

    14

    3/4”

    26.7

    70

    16.0

    2.87

    3.91

    5.56

    7.82

    18

    1”

    33.4

    76

    19.0

    3.38

    4.56

    6.35

    9.09

    18

    1-1/4”

    42.2

    83

    20.5

    3.56

    4.85

    6.35

    9.70

    18

    1-1/2”

    48.3

    89

    20.5

    3.68

    5.05

    7.14

    10.15

    18

    2”

    60.3

    102

    22.0

    3.91

    5.54

    8.74

    11.07

    20

    2-1/2”

    73.0

    127

    27.0

    5.16

    7.01

    9.53

    14.02

    20

    3”

    88.9

    152

    28.5

    5.49

    7.60

    11.13

    15.24

    20

    4”

    114.3

    178

    32.0

    6.35

    8.08

    13.49

    17.12

    20

  • Dimensions in Millimeters.
  • Thread in accordance with ASME B1.20.1
  • Wall thickness (T Min.) in accordance with ASME B36.10M.

  • Bosses Threaded

    BS3799-1974

     

    DN

     

    Nom. Pipe Size

    D

    W

    L2
    (Min)

    3000lb

    6000lb

    3000lb

    6000lb

    3000lb

    6000lb

    6

    1/8”

    16.0

    22.0

    38.0

    6.70

    8

    1/4”

    19.0

    26.0

    41.0

    10.21

    10

    3/8”

    22.0

    32.0

    45.0

    10.36

    15

    1/2”

    29.0

    38.0

    51.0

    13.56

    20

    3/4”

    35.0

    45.0

    51.0

    13.86

    25

    1”

    45.0

    60.0

    51.0

    17.34

    40

    1-1/2”

    64.0

    76.0

    51.0

    18.38

    50

    2”

    76.0

    95.0

    51.0

    19.22

    65

    2-1/2”

    95.0

     

    51.0

     

    28.89

     

    80

    3”

    110.0

     

    57.0

     

    30.48

     

    100

    4”

    140.0

     

    64.0

     

    33.02

     

    Dimensions in Millimeters.




    Nominal Pipe Size (NPS)

    Outside Diameter

    End To End
    “A”

    Wall Thickness

    Large End D1

    Small End D2

    T1

    T2

    Sch40 (STD)

    Sch80 (XS)

    Sch160

    XXS

    Sch40 (STD)

    Sch80 (XS)

    Sch160

    XXS

    3-1/2”x1-1/2”

    101.6

    48.3

    203

    5.7

    8.1

     

     

    3.7

    5.1

    7.1

    10.2

    3-1/2”x2”

    101.6

    60.3

    203

    5.7

    8.1

     

     

    3.9

    5.5

    8.7

    11.1

    3-1/2”x2-1/2”

    101.6

    73.0

    203

    5.7

    8.1

     

     

    5.2

    7.0

    9.5

    14.0

    3-1/2”x3”

    101.6

    88.9

    203

    5.7

    8.1

     

     

    5.5

    7.6

    11.1

    15.2

    4”x1/4”

    114.3

    13.7

    229

    6.0

    8.6

    13.5

    17.1

    2.2

    3.0

     

     

    4”x3/8”

    114.3

    17.1

    229

    6.0

    8.6

    13.5

    17.1

    2.3

    3.2

     

     

    4”x1/2”

    114.3

    21.3

    229

    6.0

    8.6

    13.5

    17.1

    2.8

    3.7

    4.8

    7.5

    4”x3/4”

    114.3

    26.7

    229

    6.0

    8.6

    13.5

    17.1

    2.9

    3.9

    5.6

    7.8

    4”x1”

    114.3

    33.4

    229

    6.0

    8.6

    13.5

    17.1

    3.4

    4.5

    6.4

    9.1

    4”x1-1/4”

    114.3

    42.2

    229

    6.0

    8.6

    13.5

    17.1

    3.6

    4.9

    6.4

    9.7

    4”x1-1/2”

    114.3

    48.3

    229

    6.0

    8.6

    13.5

    17.1

    3.7

    5.1

    7.1

    10.2

    4”x2”

    114.3

    60.3

    229

    6.0

    8.6

    13.5

    17.1

    3.9

    5.5

    8.7

    11.1

    4”x2-1/2”

    114.3

    73.0

    229

    6.0

    8.6

    13.5

    17.1

    5.2

    7.0

    9.5

    14.0

    4”x3”

    114.3

    88.9

    229

    6.0

    8.6

    13.5

    17.1

    5.5

    7.6

    11.1

    15.2

    4”x3-1/2”

    114.3

    101.6

    229

    6.0

    8.6

    13.5

    17.1

    5.7

    8.1

     

     

  • Dimensions in Millimeters.
  • Wall Thickness:T1 & T2 in accordance with ASME B36.10M
  • PBE:Plain Both Ends

    BBE:Bevel Both Ends

    TBE:Thread Both Ends

    PSE:Plain Small End

    BSE:Bevel Small End

    TSE:Thread Small End

    PLE:Plain Large End

    BLE:Bevel Large End

    TLE:Thread Large End

    Dimensional Tolerance of Swaged Nipple

    Nominal Pipe Size (inch)

    Overall Length (mm)

    Outside diameter at end

    Wall Thickness (prior to threading or grooving)

    Square Cut Ends (mm)

    Other End Connection (mm)

    1/8” to 3/8”

    ± 1.5

    + 0.40

    ± 0.80

     

    Not less than 87.5% of nominal wall thickness

    - 0.80

    1/2” to 1-1/2”

    ± 1.5

    + 0.40

    + 1.50

    - 0.80

    - 0.80

    2” to 2-1/2”

    ± 3.0

    ± 0.80

    + 1.50

    - 0.80

    3” to 4”

    ± 3.0

    ± 0.80

    ± 1.50

  • Dimensions in Millimeters.
  • Prior to threading or grooving

  • Pipe Nipples Threaded



    Nom. Pipe Size

    L

    Plain End Weight (kg/m)

    Close Nipple

    Short Nipple

    Long Nipple

    Sch40/STD

    Sch80/XS

    Sch160

    XXS

    1/8”

    3/4

    1-1/2

    2~12

    0.37

    0.47

     

     

    1/4”

    7/8

    1-1/2

    2~12

    0.63

    0.80

     

     

    3/8”

    1

    1-1/2

    2~12

    0.84

    1.10

     

     

    1/2”

    1-1/8

    1-1/2

    2~12

    1.27

    1.62

    1.95

    2.55

    3/4”

    1-3/8

    2

    2-1/2~12

    1.69

    2.20

    2.90

    3.64

    1”

    1-1/2

    2

    2-1/2~12

    2.50

    3.24

    4.24

    5.45

    1-1/4”

    1-5/8

    2-1/2

    3~12

    3.39

    4.47

    5.61

    7.77

    1-1/2”

    1-3/4

    2-1/2

    3~12

    4.05

    5.41

    7.25

    9.55

    2”

    2

    2-1/2

    3~12

    5.44

    7.48

    11.11

    13.44

    2-1/2”

    2-1/2

    3

    3-1/2~12

    8.63

    11.41

    14.92

    20.39

    3”

    2-5/8

    3

    3-1/2~12

    11.29

    15.27

    21.35

    27.68

    3-1/2”

    2-3/4

    4

    4-1/2~12

    13.57

    18.64

     

     

    4”

    2-7/8

    4

    4-1/2~12

    16.08

    22.32

    33.54

    41.03

    5”

    3

    4-1/2

    5~12

    21.77

    30.97

    49.12

    57.43

    6”

    3-1/8

    4-1/2

    5~12

    28.26

    42.56

    67.57

    79.22

  • Dimensions in Millimeters.
  • Thickness in accordance with ASME B1.20.1
  • Weld bevel in accordance with ASME B16.25
  • Weight in accordance with ASME B36.10M Table 1.

  • Shape of Thread


    Adapter Threaded


    3000LB

     

    DN

    Nom Pipe Size

    A

     

    D

     

    L

    Threaded Size

    B

    8

    1/4”

    19

    33

    1/8”

    10

    3/8”

    22

    35

    1/4”

    15

    1/2”

    28

    42

    3/8”

    20

    3/4”

    35

    47

    1/2”

    25

    1”

    44

    55

    3/4”

    32

    1-1/4”

    57

    63

    1”

    40

    1-1/2”

    64

    66

    1-1/4”

    50

    2”

    76

    76

    1-1/2”

    65

    2-1/2”

    92

    90

    2”

    80

    3”

    108

    110

    2-1/2”

    100

    4”

    140

    120

    3”

    • Dimensions in Millimeters.
    • Thickness in accordance with ANSI / ASME B1.20.1 1983
    • Dimensions may vary according to the customers’ and manufacturer’s requirement.

    Union (Male x Female)


     

    3000LB

    Nom Pipe Size

    A (2)
    (Min)

     

    B

     

    L

    1/4”

    19.0

    13.7

    55.4

    3/8”

    22.9

    17.1

    60.0

    1/2”

    27.7

    21.3

    68.0

    3/4”

    33.5

    26.7

    75.9

    1”

    41.4

    33.4

    86.0

    1-1/4”

    50.5

    42.2

    95.1

    1-1/2”

    57.2

    48.3

    100.5

    2”

    70.1

    60.3

    112.1

  • Dimensions in Millimeters.
  • Dimensions refer to MSS SP-83 Table 5.
  • Thickness in accordance with ANSI / ASME B1.20.1 1983
  • Dimensions may vary according to the customers’ and manufacturer’s requirement

    Branch Outlet Threaded


  • Dimensions in Millimeters.
  • Thread in accordance with ASME B1.20.1
  • 3000LBS outlet size 4 and less fit a number of run pipe sizes and the fitting are marked accordingly.
  • Dimensional Tolerance of MSS SP-97-2006

    Item

    1/8” to 3/4”

    1” to 4”

    Face of fitting to crotch (A)

    ± 0.76

    ± 1.52

    Conventional Run Size Combinations

     

    OUTLET SIZE

    1/4”

    3/8”

    1/2”

    3/4”

    1”

    1-1/4”

    1-1/2”

    2”

    2-1/2”

    3”

    4”

    RUN SIZE (Main Pipe)

    Reducing way

    3/8”~3/4”

    1/2”

    3/4”

    1”

    1-1/4”

    1-1/2”

    2”

    2-1/2”

    3”

    3-1/2”

    5”

    1”~36”

    3/4”~1-1/4”

    1”

    1-1/4”

    1-1/2”

    2”

    2-1/2”

    3”

    3-1/2”

    4”

    6”

     

    1-1/2”~36”

    1-1/4”

    1-1/2”

    2”

    2-1/2”

    3”

    3-1/2”

    4”

    5”

    8”

     

     

    1-1/2”~3”

    2”~3”

    2-1/2”

    3”

    3-1/2”

    4”

    5”

    6”

    10”

     

     

    3-1/2”~36”

    3-1/2”~6”

    3”

    3-1/2”~5”

    4”~5”

    5”~6”

    6”

    8”

    12”~14”

     

     

     

    8”~36”

    3-1/2”~4”

    6”~8”

    6”~10”

    8”~10”

    8”

    10”

    16”~18”

     

     

     

     

    5”~10”

    10” ~ 36”

    12”~36”

    12”~18”

    10”~14”

    12”~16”

    20”~24”

     

     

     

     

    12~36”

     

     

    20”~36”

    16”~36”

    18”~36”

    26”~36”

    Straight way

     

     

     

     

     

     

     

     

     

    3-1/2”

    5”

     

    3/8”~36”

     

    1/2”~36”

     

    3/4”~36”

     

    1”~36”

     

    1-1/4”~1-1/2”
    2”~36”

    1-1/2”
    2”~3”
    3-1/2”~36”

    2”
    2-1/2”~4”
    5”~36”

    2-1/2”
    3”~3-1/2”
    4”~6”
    8”~36”

    3”
    3-1/2”~4”
    5”~8”
    10”~36”

    4”
    5”
    6”
    8”~12”

    6”
    8”
    10”
    12”~16”

     

     

     

     

     

     

     

     

     

    14”~36”

    18”~36”

    Each charted outlet size is designed to fit a number of run pipe size.


    90° Elbow Outlet Threaded


    3000LB

    Outlet Pipe

     

    A

     

    C

     

    F

    DN

    Inch

    8

    1/4”

    40.5

    35.2

    22.0

    10

    3/8”

    40.5

    35.2

    25.9

    15

    1/2”

    40.5

    35.2

    31.4

    20

    3/4”

    47.6

    43.6

    37.1

    25

    1”

    55.6

    54.0

    45.5

    32

    1-1/4”

    60.3

    67.5

    57.0

    40

    1-1/2”

    66.7

    76.2

    64.0

    50

    2”

    81.0

    104.8

    76.0

    65

    2-1/2”

    82.6

    106.4

    92.0

    80

    3”

    96.8

    125.4

    109.2

    100

    4”

    114.3

    163.5

    140.0

    6000LB


    Outlet Pipe

     

    A

     

    C

     

    F

    DN

    Inch

    8

    1/4”

    40.5

    34.9

    26.0

    10

    3/8”

    40.5

    34.9

    33.0

    15

    1/2”

    47.6

    34.9

    38.0

    20

    3/4”

    55.6

    43.6

    44.0

    25

    1”

    60.3

    54.0

    57.0

    32

    1-1/4”

    66.7

    67.5

    64.0

    40

    1-1/2”

    85.7

    76.2

    76.0

    • Dimensions in Millimeters.
    • Thread in accordance with ASME B1.20.1
    • Dimensions may vary according to the customer’s and manufacturer’s requirement.

    45° Lateral Tee Threaded


     

    DN

    Nom. Pipe Size

    Length of Thread (Min)

     

    A

     

    E

    G (2)
    (Min)

    H (2)

    B (3)

    L2 (3)

    15

    1/2”

    10.9

    13.6

    46

    20

    3.18

    33

    20

    3/4”

    12.7

    13.9

    55

    23

    3.18

    38

    25

    1”

    14.7

    17.3

    65

    26

    3.68

    46

    32

    1-1/4”

    17.0

    18.0

    73

    31

    3.89

    56

    40

    1-1/2”

    17.8

    18.4

    82

    35

    4.01

    62

    50

    2”

    19.0

    19.2

    113

    42

    4.27

    75

    65

    2-1/2”

    23.6

    28.9

    136

    56

    5.61

    92

    3000LB


    DN

    Nom. Pipe Size

    Length of Thread (Min)

    A

    E

    G (2)
    (Min)

    H (2)

    B (3)

    L2 (3)

    15

    1/2”

    10.9

    13.6

    55

    23

    4.09

    38

    20

    3/4”

    12.7

    13.9

    65

    26

    4.32

    46

    25

    1”

    14.7

    17.3

    73

    31

    4.98

    56

    32

    1-1/4”

    17.0

    18.0

    82

    35

    5.28

    62

    40

    1-1/2”

    17.8

    18.4

    113

    42

    5.56

    75

    50

    2”

    19.0

    19.2

    136

    56

    7.14

    84

  • Dimensions in Millimeters.
  • Dimensions refer to ANSI B16.11
  • Dimension B is minimum length of perfect thread.
  • The length of useful thread (B plus threads with fully formed roots and flat crests) shall not be less than L2 (effective length of external thread) required by American National Standard for pipe threads (ANSI/ASME B1.20.1)

  • Dimensions of BSP and PT are available if required.
  • Dimensions may vary according to the customer’s and manufacturer’s requirement.

  • Lateral Outlet Threaded


    Outlet Pipe

     

    A

     

    C

     

    F

    DN

    Inch

    8

    1/4”

    40.5

    35.2

    22.0

    10

    3/8”

    40.5

    35.2

    25.9

    15

    1/2”

    40.5

    35.2

    31.4

    20

    3/4”

    47.6

    43.6

    37.1

    25

    1”

    55.6

    54.0

    45.5

    32

    1-1/4”

    60.3

    67.5

    57.0

    40

    1-1/2”

    66.7

    76.2

    64.0

    50

    2”

    81.0

    104.8

    76.0

    65

    2-1/2”

    82.6

    106.4

    92.0

    80

    3”

    96.8

    125.4

    109.2

    100

    4”

    114.3

    163.5

    140.0

    6000LB


    Outlet Pipe

     

    A

     

    C

     

    F

    DN

    Inch

    8

    1/4”

    40.5

    34.9

    26.0

    10

    3/8”

    40.5

    34.9

    33.0

    15

    1/2”

    47.6

    34.9

    38.0

    20

    3/4”

    55.6

    43.6

    44.0

    25

    1”

    60.3

    54.0

    57.0

    32

    1-1/4”

    66.7

    67.5

    64.0

    40

    1-1/2”

    85.7

    76.2

    76.0

  • Dimensions in Millimeters.
  • Thread in accordance with ASME B1.20.1
  • Dimensions may vary according to the customer’s and manufacturer’s requirement.

  • Nipple Branch Outlet Threaded


     

    Outlet Pipe

    C

     

    F

    3000LB

    6000LB

    1/2”

    23.8

    13.8

    21.3

    3/4”

    30.2

    18.9

    26.7

    1”

    36.5

    24.3

    33.4

    1-1/4”

    44.5

    32.5

    42.2

    1-1/2”

    50.8

    38.1

    48.3

    2”

    65.1

    49.2

    60.3

  • Dimensions in Millimeters.
  • Thread in accordance with ASME B1.20.1
  • Dimensions may vary according to the customer’s and manufacturer’s requirement

    Unions Socket Weld

    Socket Weld End MSS-SP-83-2006

     

     

     

    Nom. Pipe Size

    Pipe End

     

    (Min.) A

    Socket Bore Dia.

     

    B

    Socket Wall

     

    (Min.) C

    Water Way Bore

    D

    Laying Length

     

    E

    Male Flange

     

    (Min.) F

    Nut

     

    (Min.) G

    Thread s Per 25.4mm

     

    H

    Bearing

     

    (Min.) J

    Depth of Socket

    (Min.) K

    Length Assem
    . Nom.

     

    L

    Clear Assem. Nut

     

    N

    1/8”

    21.8

    11.18
    10.67

    3.18

    7.59
    6.07

    22.4
    19.1

    3.18

    3.18

    16

    1.24

    9.7

    41.4

    50.8

    1/4”

    21.8

    14.61
    14.10

    3.30

    10.01
    8.48

    22.4
    19.1

    3.18

    3.18

    16

    1.24

    9.7

    41.4

    50.8

    3/8”

    25.9

    18.03
    17.53

    3.51

    13.28
    11.76

    26.9
    20.6

    3.43

    3.43

    14

    1.37

    9.7

    46.0

    55.9

    1/2”

    31.2

    22.23
    21.73

    4.09

    16.56
    15.04

    26.9
    20.6

    3.68

    3.68

    14

    1.50

    9.7

    49.0

    58.4

    3/4”

    37.1

    27.56
    27.05

    4.27

    21.69
    20.17

    31.8
    25.4

    4.06

    4.06

    11

    1.68

    12.7

    56.9

    66.0

    1”

    45.5

    34.29
    33.78

    4.98

    27.41
    25.88

    34.3
    26.2

    4.57

    4.45

    11

    1.85

    12.7

    62.0

    78.7

    1-1/4”

    54.9

    43.05
    42.55

    5.28

    35.81
    34.29

    40.6
    32.5

    5.33

    5.21

    11

    2.13

    12.7

    71.1

    94.0

    1-1/2”

    61.5

    49.15
    48.64

    5.54

    41.66
    40.13

    42.2
    34.0

    5.84

    5.59

    10

    2.31

    12.7

    76.5

    111.8

    2”

    75.2

    61.62
    61.11

    6.05

    53.26
    51.74

    45.5
    37.3

    6.60

    6.35

    10

    2.69

    15.7

    86.1

    132.1

    2-1/2”

    91.7

    74.45
    73.81

    7.67

    64.24
    61.19

    61.7
    52.1

    7.49

    7.11

    8

    3.07

    15.7

    102.4

    149.9

    3”

    109.2

    90.42
    89.79

    8.31

    79.45
    76.40

    63.8
    53.6

    8.26

    8.00

    8

    3.53

    15.7

    109.0

    175.3

  • Dimensions in Millimeters.
  • Upper and lower values for each size are the respective maximum and minimum dimensions

     

    Socket Welding MSS-SP-79-2009

     

    Nom. Pipe Size

    Type

    Socket

     

    Shank Dia. SD

    Laying Length A

    Bore

    D

    Wall Min. C

    Length

     

    Dia. B

    Depth Min. K

    SL

    RL (Min)

     

    3000

     

    6000

    3000

    6000

    3000

    6000

    3000

    6000

    3000

    6000

    3000

    6000

    3”x2-1/2”

    1

    1

    74.07

    16

    88.90

    38

    57

    62.5

    54.0

    8.76

     

    32

    45

     

     

    3”x2”

    2

    2

    61.37

    16

    88.90

    25

    32

    52.5

    43.0

    6.93

     

     

     

    48

    54

    3”x1-1/2”

    2

    2

    48.90

    13

    88.90

    29

    32

    41.0

    34.0

    6.35

     

     

     

    48

    54

    3”x1-1/4”

    2

    2

    42.80

    13

    88.90

    30

    32

    35.0

    29.5

    6.07

     

     

     

    48

    54

    3”x1”

    2

    2

    34.04

    13

    88.90

    32

    32

    26.5

    21.0

    5.69

     

     

     

    48

    54

    4”x3”

    2

     

    90.04

    16

    114.30

    33

     

    78.0

     

    9.50

     

     

     

    60

     

    4”x2-1/2”

    2

     

    74.07

    16

    114.30

    38

     

    62.5

     

    8.76

     

     

     

    60

     

    4”x2”

    2

     

    61.37

    16

    114.30

    38

     

    52.5

     

    6.93

     

     

     

    60

     

    4”x1-1/2”

    2

     

    48.90

    13

    114.30

    42

     

    41.0

     

    6.35

     

     

     

    60

     

    4”x1-1/4”

    2

     

    42.80

    13

    114.30

    43

     

    35.0

     

    6.07

     

     

     

    60

     

    • Dimensions in Millimeters.
    • At the option of the manufacturer type 2 reducer may be furnished in type 1 configuration.

    Dimensional Tolerance of Reducer Insert

     

    Laying Length A

    Size Size
    Size

    3/8”
    1”
    2-1/2”

    through through
    through

    3/4”
    2”
    4”

    +
    +
    +

    1.50mm / -0.00mm
    2.00mm / -0.00mm
    2.50mm / -0.00mm

    Socket Diameter B

    Size
    Size

    1/4”
    2-1/2”

    through
    through

    2”
    3”

    ±
    +

    0.25mm
    0.40mm / -0.25mm

    Bore D

    Size
    Size

    1/4”
    2-1/2”

    through
    through

    2”
    3”

    ±
    ±

    0.80mm
    1.50mm

     

    Shank Diameter SD

    Size
    Size Size

    3/8”
    2”
    4”

    through through

    1-1/2”
    3”

    ±
    ±
    ±

    0.25mm
    0.50mm 0.75mm

     

    Shank Length SL

    Size
    Size Size

    3/8”
    1”
    2-1/2”

    through
    through through

    3/4”
    2”
    4”

    ±
    ±
    ±

    0.00mm / -1.50mm
    0.00mm / -2.00mm
    0.00mm / -2.50mm

     

    Bosses Socket Weld
    BS3799-1974

     

     

    DN

     

    Nom. Pipe Size

     

    B
    (Min)

    D

    J
    (Min)

    F

    C
    (Min)

    3000lb

    6000lb

    3000lb

    6000lb

    3000lb

    6000lb

    3000lb

    6000lb

    6

    1/8”

    10.7

    6.8

     

    10.0

     

    28.0

     

    3.2

     

    8

    1/4”

    14.1

    9.2

     

    10.0

     

    32.0

     

    3.3

     

    10

    3/8”

    17.6

    12.5

     

    11.0

     

    34.0

     

    3.5

     

    15

    1/2”

    21.8

    15.5

    11.8

    13.0

    13.0

    38.0

    38.0

    4.1

    5.2

    20

    3/4”

    27.4

    21.0

    15.5

    13.0

    13.0

    38.0

    38.0

    4.3

    6.1

    25

    1”

    34.1

    26.6

    20.7

    16.0

    16.0

    35.0

    35.0

    5.0

    7.0

    40

    1-1/2”

    49.0

    40.5

    34.0

    19.0

    19.0

    32.0

    32.0

    5.6

    7.8

    50

    2”

    61.0

    52.0

    43.0

    22.0

    22.0

    29.0

    29.0

    6.1

    9.5

    65

    2-1/2”

    73.8

    62.0

    54.0

    22.0

    22.0

    29.0

    29.0

    7.7

    10.4

    80

    3”

    89.7

    78.0

    66.0

    22.0

    22.0

    29.0

    29.0

    8.3

    12.2


    90° Elbow Outlet Socket Weld


    3000LB

    Outlet Pipe

     

    A

     

    C

     

    F

     

    D

     

    J

    DN

    Inch

    8

    1/4”

    40.5

    35.2

    22.0

    14.35

    10.0

    10

    3/8”

    40.5

    35.2

    25.9

    17.80

    10.0

    15

    1/2”

    40.5

    35.2

    31.4

    21.95

    11.1

    20

    3/4”

    47.6

    43.6

    37.1

    27.30

    12.7

    25

    1”

    55.6

    54.0

    45.5

    34.05

    13.5

    32

    1-1/4”

    60.3

    67.5

    57.0

    42.80

    15.1

    40

    1-1/2”

    66.7

    76.2

    64.0

    48.90

    15.9

    50

    2”

    81.0

    104.8

    76.0

    61.35

    17.5

    65

    2-1/2”

    82.6

    106.4

    92.0

    74.15

    23.8

    80

    3”

    96.8

    125.4

    109.2

    90.10

    28.6

    100

    4”

    114.3

    163.5

    140.0

    115.75

    29.4

    6000LB


    Outlet Pipe

     

    A

     

    C

     

    F

     

    D

     

    J

    DN

    Inch

    8

    1/4”

    40.5

    34.9

    26.0

    14.35

    10.0

    10

    3/8”

    40.5

    34.9

    33.0

    17.80

    10.0

    15

    1/2”

    47.6

    34.9

    38.0

    21.95

    10.0

    20

    3/4”

    55.6

    43.6

    44.0

    27.30

    14.3

    25

    1”

    60.3

    54.0

    57.0

    34.05

    15.9

    32

    1-1/4”

    66.7

    67.5

    64.0

    42.80

    20.6

    40

    1-1/2”

    85.7

    76.2

    76.0

    48.90

    20.6

    • Dimensions in Millimeters.
    • Dimensions refer to ANSI B16.11

    Dimensions may vary according to the customer’s and manufacturer’s requirement

    45° Lateral Tee Socket Weld


    3000LB

     

    DN

    Nom. Pipe Size

    B (2)

    B (2)

    D (1)

     

    A

     

    E

    G (2)
    (Min)

    J (2)
    (Min)

    (Avg)

    (Min)

    15

    1/2”

    21.8

    4.67

    4.09

    15.8

    35

    9

    3.75

    9.5

    20

    3/4”

    27.2

    4.90

    4.27

    21.0

    41

    9

    3.95

    12.5

    25

    1”

    33.9

    5.69

    4.98

    26.7

    51

    12

    4.55

    12.5

    32

    1-1/4”

    42.7

    6.07

    5.28

    35.1

    59

    17

    4.85

    12.5

    40

    1-1/2”

    48.8

    6.35

    5.54

    40.9

    68

    21

    5.10

    12.5

    50

    2”

    61.2

    6.93

    6.04

    52.5

    95

    24

    5.55

    16.0

    65

    2-1/2”

    73.9

    8.76

    7.67

    62.7

    118

    38

    7.05

    16.0

    6000LB

     

    DN

    Nom. Pipe Size

    B (2)

    B (2)

    D (2)

     

    A

     

    E

    G (2)
    (Min)

    J (2)
    (Min)

    (Avg)

    (Min)

    15

    1/2”

    21.8

    5.97

    5.18

    11.8

    41

    9

    4.78

    9.5

    20

    3/4”

    27.2

    6.96

    6.04

    15.6

    51

    12

    5.56

    12.5

    25

    1”

    33.9

    7.92

    6.93

    20.7

    59

    17

    6.35

    12.5

    32

    1-1/4”

    42.7

    7.92

    6.93

    29.5

    68

    21

    6.35

    12.5

    40

    1-1/2”

    48.8

    8.92

    7.80

    34.0

    95

    24

    7.14

    12.5

    50

    2”

    61.2

    10.92

    9.50

    42.9

    106

    31

    8.74

    16.0

      • Dimensions in Millimeters.
      • Dimensions refer to ANSI B16.11
      • Dimensions may vary according to the customer’s and manufacturer’s requirement.

    Lateral Outlet Socket Weld

     


    3000LB

    Outlet Pipe

     

    A

     

    C

     

    F

     

    D

     

    J

    DN

    Inch

    8

    1/4”

    40.5

    35.2

    22.0

    14.35

    10.0

    10

    3/8”

    40.5

    35.2

    25.9

    17.80

    10.0

    15

    1/2”

    40.5

    35.2

    31.4

    21.95

    11.1

    20

    3/4”

    47.6

    43.6

    37.1

    27.30

    12.7

    25

    1”

    55.6

    54.0

    45.5

    34.05

    13.5

    32

    1-1/4”

    60.3

    67.5

    57.0

    42.80

    15.1

    40

    1-1/2”

    66.7

    76.2

    64.0

    48.90

    15.9

    50

    2”

    81.0

    104.8

    76.0

    61.35

    17.5

    65

    2-1/2”

    82.6

    106.4

    92.0

    74.15

    23.8

    80

    3”

    96.8

    125.4

    109.2

    90.10

    28.6

    100

    4”

    114.3

    163.5

    140.0

    115.75

    29.4

    6000LB


    Outlet Pipe

     

    A

     

    C

     

    F

     

    D

     

    J

    DN

    Inch

    8

    1/4”

    40.5

    34.9

    26.0

    14.35

    10.0

    10

    3/8”

    40.5

    34.9

    33.0

    17.80

    10.0

    15

    1/2”

    47.6

    34.9

    38.0

    21.95

    10.0

    20

    3/4”

    55.6

    43.6

    44.0

    27.30

    14.3

    25

    1”

    60.3

    54.0

    57.0

    34.05

    15.9

    32

    1-1/4”

    66.7

    67.5

    64.0

    42.80

    20.6

    40

    1-1/2”

    85.7

    76.2

    76.0

    48.90

    20.6

    • Dimensions in Millimeters.
    • Dimensions refer to ANSI B16.11
    • Dimensions may vary according to the customer’s and manufacturer’s requirement.